Bmw cars
Bmw X6 (E71) 2009-2014
Bmw X6 (E71) 2009-2014
Verfügbarkeit für Abholungen konnte nicht geladen werden
MODELLO MODEL |
Bmw X6 (E71) 2009-2014 manuale officina – Repair manual |
DESCRIZIONE DESCRIPTION |
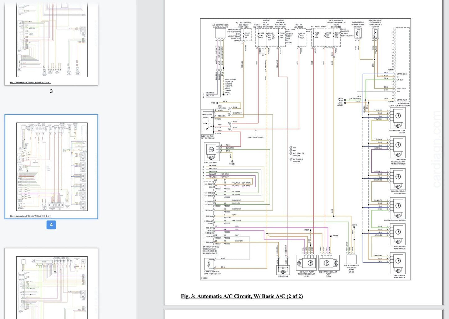
Manuale d'officina in formato PDF, leggibile su qualsiasi Pc o Mac. Descrive passo-passo tutte le procedure per effettuare interventi e riparazioni, montaggi e smontaggi sulla vettura. Contiene migliaia di foto, digrammi e disegni per rendere più facile il lavoro, e copre tanti aspetti della vettura: meccanica, motore, sospensioni, cambio, freni… Indice multimediale per una facile consultazione. Potete consultarlo sul computer o su un tablet, oppure stampare le singole sezioni o pagine che vi interessano. Include il wiring diagrams e l’owner’s manual |
CONSEGNA DELIVERY |
IMMEDIATE DOWNLOAD |
FORMATO FORMAT |
|
LINGUAGGIO LANGUAGE |
ENGLISH |
PAGINE PAGES |
+4.000 |
COMPATIBILE COMPATIBLE |
Tutti I sistemi/all systems Windows-Mac |
DETTAGLI DETAILS |
Modelli trattati – Models covered:
Motori/Engines: xDrive 35i (N54B30) - xDrive 50i (N63B44) TRANSMISSION: Automatic 6 speed SEZIONI: Engines - Gearbox - Lightining - Body - Seats - transmission - Whipers - Heating, Ventilation and AC - Suspension - Steering - Side and Structure (vedi immagini per elenco completo) |
Shipping & Returns
Shipping & Returns
Care Instructions
Care Instructions










Image with text
Pair text with an image to focus on your chosen product, collection, or blog post. Add details on availability, style, or even provide a review.
-
Free Shipping
Pair text with an image to focus on your chosen product, collection, or blog post. Add details on availability, style, or even provide a review.
-
Hassle-Free Exchanges
Pair text with an image to focus on your chosen product, collection, or blog post. Add details on availability, style, or even provide a review.